一、綜述
十二年前,我國的鋼產量已經突破1億噸大關,成為世界第一產鋼大國。隨著2008年8月,第29屆夏季奧運會在我國的舉辦,各地基礎建設項目趁此契機大幅增多,對鋼鐵產品的需求量大增。同時,近年來我國鋼鐵的絕對產量也逐年大幅增加。比如山東某新建鋼廠,03年才開始建廠房,至今短短5年的時間,年產量已經超過千萬噸!首鋼北京本部雖然生產逐年減少,但首鋼唐山、首鋼秦皇島、首鋼遷安等各分部已經形成規模生產,產量比原來的首鋼還要高出很多。單純的鋼鐵產量上“世界一流”早已不是夢想。但與世界主要發達產鋼國家相比,我國鋼鐵產品整體上在品種結構、產品質量、技術裝備等方面還有不少的差距。在中高檔小汽車用鋼板等項目上,我國鋼鐵產品質量要提高的還有很多。
在市場經濟激烈的競爭壓力下,各鋼鐵廠都在努力追求高附加值的鋼鐵產品。隨著現代鐵水預處理技術的發展,脫磷、脫硫、脫硅在生產上已經實現了最經濟成本。在磷、硫的危害下降的同時,氫、氧、氮對鋼的危害愈加顯露出來。鋼中氫的致裂,氮的發脆,全氧與鋼中夾雜物的緊密關系,在分析鋼的缺陷時已經形成共識。為此,各鋼鐵廠幾乎都配備了氧氮氫分析儀,即使一些規模相對不算太大的特鋼廠,也配備了進口氧氮氫分析儀。氧氮氫儀器的增加,凸顯了成熟的氧氮氫分析技術人員比較缺少。在不少特鋼廠,操作人員對氧氮氫的知識需要從零學起。于是編寫此文,獻給在生產現場的操作人員。
一、為什么要測試鋼鐵中氧氮氫含量:
即氧氮氫對鋼鐵產品的危害或作用。
1、氧的危害:
氧和氫一樣,都會對鋼的機械性能產生不良影響。不僅是氧的濃度,而且含氧的夾雜物的多少、類型及其分布等也有很重要的影響。這類夾雜物是指金屬氧化物、硅酸鹽、鋁酸鹽、含氧硫化物以及類似的夾雜化合物。煉鋼需要脫氧,因為凝固期間,溶液中氧和碳反應會生成一氧化碳,可以造成氣泡。另外,冷卻時氧可以作為FeO、MnO以及其他氧化夾雜物從溶液中析出,從而削弱其熱加工或冷加工性,以及延展性、韌性、疲勞強度和鋼的機械加工性能。氧與氮和碳還能引起老化或者硬度在室溫下自發的增加。對于鑄鐵,當鑄塊正凝固時,氧化物與碳可以發生反應,因此造成產品的孔隙和產品的脆化。
2、氮的危害或作用:
氮不能一概而論的歸結為有害氣體元素,因為有些特種鋼是有目的的加入氮。
所有的鋼均含有氮,其存在量取決于鋼的生產方法,合金元素的種類、數量及其加入方式,鋼的澆鑄方法,以及是否有目的的加入氮。有些牌號的不銹鋼,適當增加N的含量,可以減少Cr的使用量,Cr相對很貴,此方法可以有效降低成本。
鋼鐵中的氮大部分是呈金屬氮化物的形態。
例如:在存放一些時間后,鋼發生應變時效,就不能被深沖加工(比如深沖加工為汽車保護板),因為鋼會出現撕裂,不能沿各個方向被均勻地拉伸。這是由于晶粒大以及Fe4N沉積在晶粒界面上造成的。
再如:在不銹鋼中,晶粒界面上形成氮化鉻(Cr2N)會耗盡界面上含有的鉻,并引起所謂的粒間腐蝕現象。加入鈦,優先形成氮化鈦,就能防止這種有害的影響。
3、氫的危害:
當鋼中氫含量大于2ppm時,氫在所謂“鱗片剝落”現象中起重要作用。在滾軋和鍛造后的冷卻過程中出現內裂和斷裂現象時,這種剝落現象一般更加明顯,而且在大的斷面或者高碳鋼中更經常發現這種現象。由于內應力的存在,這種缺陷會造成發動機使用過程中大轉子發生崩裂。
鑄鐵中氫大于2ppm時,容易出現孔隙或一般的多孔性,這種氫造成的多孔性將造成鐵的脆化。
“氫脆”主要出現在馬氏體鋼中,在鐵氧體鋼中不十分突出,而在奧氏體鋼中實際上尚不清楚。另外,氫脆一般與硬度和含碳量一起增加。
二、鋼鐵中氧氮氫的存在形式:
1、氧的存在形式:
氧是以化合態和游離態共存的,一般游離態很少,主要是以Fe2O3 、Fe3O4、FeO以及金屬氧化物夾雜、硅酸鹽、鋁酸鹽、含氧硫化物以及類似的夾雜化合物的形式存在,儀器測試總氧含量,一般用T[O]表示。
2、氮的存在形式:
鋼中一部分氮是呈金屬氮化物或者碳氮化物的形態;如今特種合金鋼中所加入的大多數元素,在適當條件下能形成氮化物。這些元素包括錳、鋁、硼、鉻、釩、鉬、鈦、鎢、鈮、鉭、鋯、硅和稀土等。考慮到許多氮化物形成元素具有幾種簡單的或者復雜的氮化物,此時鋼中可能會形成多達70多種氮化物。另一部分的氮是以氮原子的形式固溶在鋼中。極少數情況下,氮以分子形式夾雜于氣泡中或者吸附在鋼的表面。
3、氫的存在形式:
鋼中氫是以氫原子的形式存在的,在高溫時,兩個氫原子很容易就形成一個氫分子。氫原子很活潑,自然放置狀態就會形成氫分子緩慢釋放。
三、鋼鐵中氧氮氫的來源:
1、氧的來源:
氧在各種煉鋼爐冶煉終點時都以一定量存在鋼水中,氧是生產過程中供給的,因為煉鋼過程中首先是氧化過程,脫[P]、脫[S]、脫[Si]、脫[C]都需要向鐵水供氧。但隨著煉鋼過程的進行,盡管工藝千變萬化,可是煉鋼爐內熔池中鋼液的[C]、[O]的關系卻有共同的規律性。即隨著[C]的逐步降低, [O]卻在逐步增高,[C]和[O]有著相互對應的平衡關系。
2、氮的來源:
氮氣在爐氣中的分壓力很高,大氣中氮的分壓力大體保持在7.8Χ104Pa,因此鋼中的氮主要是鋼水裸露過程中吸入并溶解的。電爐煉鋼,包括二次精煉的電弧加熱,加速了氣體的解離,故[N]含量偏高;平爐冶煉時間長增加了氮含量;轉爐復吹控制不當,氮氬切換不及時也會增加氮的含量;鐵合金、廢鋼鐵和渣料中的氮也會隨爐料帶入鋼水。
3、氫的來源:
氫氣在爐氣中的分壓力很低,大氣中氫的分壓力為0.053Pa。因此鋼中的氫主要由爐氣中的水蒸汽的分壓力來決定的。氫進入鋼液的主要途徑是:通過廢鋼表面的鐵銹(xFeO?yFe3O4 ?2H2O);鐵合金中的氫氣;增碳劑、脫氧劑、覆蓋劑、保溫劑、遭渣劑(Ca(OH)2)、瀝青和焦油中的水份;未烤干的鋼包、中間包、中注管;鋼錠模的噴涂料;結晶器滲水以及大氣中的水份與鋼水或爐渣作用而進入鋼中。
四、氧氮氫的儀器測試原理:
1、氧的測定:
生產現場基本上都在使用紅外測氧儀測定氧含量。樣品由進樣器掉進光譜純石墨坩堝中,樣品在高溫坩堝中熔化,樣品中的氧與熱坩堝表面的碳起反應,絕大部分生成一氧化碳,極微量生成二氧化碳。由氣泵將氣體送入催化劑爐子,CO轉換為 CO2,然后通過紅外池檢測CO2,經過電腦處理換算成氧的含量。
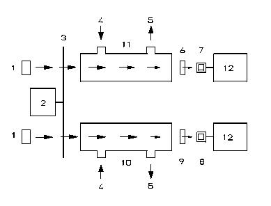
紅外池檢測原理,是根據某些氣體能夠吸收紅外線,而每種氣體只吸收紅外線中特定波長,吸收光譜決定于氣體分子中原子類型、結構和排列順序。對于CO2只能吸收波長為4.24微米的紅外線。檢測過程示意圖。

1 紅外光源
2 切光馬達
3 切光器
4 氣體進口
5 氣體出口
6 CO2 濾光片
7 紅外檢測器
8 紅外檢測器
9 CO2濾光片
10 O2 光徑
11 O2 光徑
12 前置放大器
紅外光源 ( 1 ),是通過電子加熱,并且發出寬帶紅外光。光束被旋轉的葉片( 切光器 )( 3 ),間斷切斷,產生交變光。切光馬達 ( 2 ),是由石英振蕩器控制。因此,紅外光的切光頻率是相當穩定的。紅外光通過有樣品氣和載氣混合氣流通過的測量池 ( 10,11 )時,被吸收。 而紅外光被吸收的強度與氣體濃度有關,紅外光束通過測量池后,經過濾光片( 6,9 ),只有紅外光中窄帶通過。所選擇的中頻帶波長,是對氣體測量呈最大吸收的波長,通過濾光片后,光束強度是根據紅外池中氣體濃度來決定的,最后紅外光束照射到紅外檢測器 (7,8 )上,得到與光強成正比關系的電信號。
2、氮和氫的測定:
氮和氫一般都用熱導池檢測。我公司ONH-851氫的檢測是先把氫轉換成水蒸汽,用紅外檢測池檢測水蒸汽的濃度,達到檢測氫的目的。(紅外檢測法如上述。)
熱導池,是通過測量熱導率來檢測熱導變化的,而不是測量熱傳導吸收。它有一個很好的參比電阻,這個參比電阻是純載氣。
為了檢測精度,要求檢測氣和載氣的熱導系數盡可能相差越大越好。熱導系數跟氣體的分子量有關。出于經濟性和安全性考慮,根據下圖中氣體的熱導系數,一般測氮時,用高純氦氣做載氣;測氫時,用高純氮氣做載氣。

測量池 ( 1 )中有兩個通道,測量通道 ( 2 )通入分析氣流,參比通道 ( 3 ) 通入純載氣。
每個通道有兩個熱敏電阻 ( 4 ),檢測每個通道的熱敏變化。熱敏電阻連接在惠斯登電橋上,檢測輸出信號。信號通過放大器 ( 5 ), 傳輸到電子單元 ( 6 ),無需調節,自動回零。恒溫的環境,保證測量池不受影響。
五、鋼鐵中氧氮氫含量的現狀:
國內各鋼廠家氧氮氫的含量根據牌號和用途不同,含量有些差距。因為涉及商業利益,暫不對國內各廠家具體數據詳細介紹。但是鋼的發展方向,是朝著“純凈鋼”方向發展已經在行業內達成共識。
上世紀90年代“純凈鋼”概念的出現,國外所謂的潔凈鋼(Clean-steel)或者純凈鋼(Purity-steel),通常這種鋼是指[C]、[P]、[S]、 [N]、T[O]、 [H]含量總和小于100ppm,對鋼的純凈度要求上出現了質的飛躍。隨著煉鋼技術的不斷提高,超純凈鋼的概念也已經提出十年以上。
在世界上,德國和日本無疑代表著鋼鐵生產技術的最高水平。根據相關資料,列表如下,供各鋼廠參考。
國內外生產、預測的最佳純凈度:(單位ppm)
|
元素 |
[C] |
[P] |
[S] |
[N] |
T[O] |
[H] |
總含量 |
|
德國批量生產 |
≤20 |
≤15 |
≤5 |
≤15 |
≤10 |
≤0.7 |
≤65.7 |
|
日本批量生產 |
≤16 |
≤12 |
≤4 |
≤14 |
≤5 |
≤0.5 |
≤51.5 |
|
日本預計 |
≤6 |
≤2 |
≤1 |
≤14 |
≤5 |
≤0.2 |
≤28.2 |
|
寶鋼—中間包 |
—— |
20 |
25 |
23 |
27 |
1.3 |
96.3 |
|
寶鋼—坯樣 |
—— |
31 |
27 |
10 |
11 |
1 |
80 |
天禹智控的“紅外煤氣分析儀”(可定制)可以分析鋼鐵廠的氣體及熱值,有便攜式、在線式和防爆式等類型的分析儀,分析儀采用進口NDIR非分光紅外傳感器,長壽命電化學傳感器和苯基于MEMS的熱導傳感器,運用先進的數字處理技術,可同時在線測量煤氣、生物燃氣中六種氣體的體積濃度,根據氣體濃度值快速準確計算出相應的熱值。

該分析儀可應用于鋼鐵、冶金、化工、煤氣化領域工業煤氣的成分及熱值測量;新能源行業如生物裂解氣等氣體成分測量;高校科研院所各種燃燒試驗的氣體取樣分析等。